优点:
1 此款带负重启动,电动推杆则不能
2 其推拉力可在额定条件下进行无级调节,具有广泛的驱动力,这个是电动推杆做不到的。
3 速度和推力相同的情况下此款型号是电动推杆耗电量的一半
4 操作简单,运行稳定,经检测可连续工作700小时连续运行无故障
5 此款物廉价美,相比同功能的性价比更高,且由于很多部件采取模块方式维修保养成本也低
用途:主要在大型机械行业,食品行业和家具行业使用较多。
产品出厂检验:产品出厂前,经过品管科,质检科,和专业技术鉴定人员层层把关质量可靠
| 型号 | 额定输出力(kg.f) | 额定推拉速度(mm/s) | 电机功率(kw) | 行程范围(mm) | ||
| 推力 | 拉力 | 推速 | 拉速 | |||
| DTY460I | ≤460 | ≤300 | 60 | 70 | 0.55 | 60~2000 |
| DTY460II | ≤460 | ≤300 | 100 | 160 | 0.75 | 60~2000 |
| DTY460III | ≤460 | ≤300 | 200 | 300 | 1.5 | 60~2000 |
| DTY460IV | ≤460 | ≤300 | 300 | 460 | 2.2 | 60~2000 |
| DTY700I | >460-700 | >300-600 | 60 | 70 | 0.75 | 60~2000 |
| DTY700II | >460-700 | >300-600 | 100 | 160 | 1.5 | 60~2000 |
| DTY700III | >460-700 | >300-600 | 160 | 220 | 2.2 | 60~2000 |
| DTY700IV | >460-700 | >300-600 | 200 | 300 | 4 | 60~2000 |
| DTY1000I | >700-1000 | >600-700 | 60 | 70 | 1.1 | 60~2000 |
| DTY1000II | >700-1000 | >600-700 | 100 | 160 | 2.2 | 60~2000 |
| DTY1000III | >700-1000 | >600-700 | 160 | 220 | 3 | 60~2000 |
| DTY1000IV | >700-1000 | >600-700 | 200 | 300 | 5.5 | 60~2000 |
| DTY1600I | >1000-1600 | >700-1000 | 20 | 30 | 1.1 | 60~2000 |
| DTY1600II | >1000-1600 | >700-1000 | 60 | 75 | 2.2 | 60~2000 |
| DTY1600III | >1000-1600 | >700-1000 | 80 | 120 | 4 | 60~2000 |
| DTY1600IV | >1000-1600 | >700-1000 | 120 | 180 | 5.5 | 60~2000 |
| DTY2000I | >1600-2000 | >1000-1600 | 20 | 30 | 2.2 | 60~2000 |
| DTY2000II | >1600-2000 | >1000-1600 | 60 | 75 | 4 | 60~2000 |
| DTY2000III | >1600-2000 | >1000-1600 | 95 | 140 | 7.5 | 60~2000 |
| DTY3000I | >2000-3000 | >1600-2000 | 20 | 30 | 2.2 | 60~2000 |
| DTY3000II | >2000-3000 | >1600-2000 | 40 | 60 | 4 | 60~2000 |
| DTY3000III | >2000-3000 | >1600-2000 | 75 | 110 | 7.5 | 60~2000 |
| DTY6000I | >3000-6000 | >2000-3000 | 30 | 45 | 4 | 60~2000 |
| DTY6000II | >3000-6000 | >2000-3000 | 60 | 70 | 7.5 | 60~2000 |
| DTY8000I | >6000-8000 | >3000-6000 | 30 | 45 | 5.5 | 60~2600 |
| DTY12000I | >8000-12000 | >6000-8000 | 19 | 27 | 11 | 60~2600 |
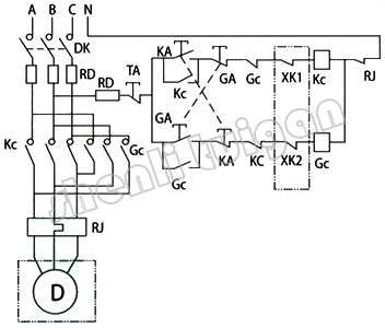
产品电路图:








































