

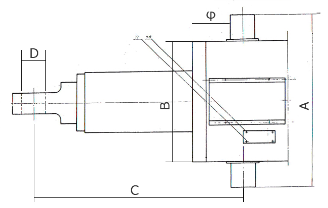
| 推力 | A | B | C | D | ¢ | 速度 |
| 100KN | 410 | 300 | 360+S | 60 | 60 | 12.7-25m/s |
| 200KN | 466 | 350 | 210+S | 60 | 60 | 4.04-20m/s |
| 350KN | 660 | 520 | 320+S | 80 | 80 | 4.88-20m/s |
| 500-800KN | 780 | 620 | 510+S | 100 | 100 | 10.5m/s |
适用范围:工矿企业,桥梁施工,建筑施工,船舶工业.
适用润滑油:美孚301
质保时长:免费质保一年,可上门维护保养工作。
每周推荐连续工作时间:每次连续工作不超过12个小时,累计每周建议运行100个小时以内
工作环境:温度0-50度 湿度不大于35%.







































